芯城品牌采购网 > 品牌资讯 > 全部资讯

深圳市科秘电子有限公司 龙腾网络科技有限公司

引言在电子技术发展历程中,半导体收音机作为二十世纪重要的科技创新产品,彻底改变了信息传播和接收方式。输出变压器作为半导体收音机音频放大电路的核心元件,其性能优劣直接影响整机的音质表现和能效水平。从技术层面来看,输出变压器在阻抗匹配、信号传输和功率转换等方面发挥着不可替代的作用。尽管现代电子设备中已经较少见到传统半导体收音机的身影,但深入理解输出变压器的工作原理和设计要点,对于掌握音频放大技术和电磁

液晶屏ESD防护解决方案-芯城品牌采购网

1静电的产生静电是一种客观存在的自然现象,产生的方式多种,如接触、摩擦、电器间感应等。静电的特点是长时间积聚、高电压、低电量、小电流和作用时间短的特点。人体自身的动作或与其他物体的接触,分离,摩擦或感应等因素,可以产生几千伏甚至上万伏的静电。2行业的困扰ESD(静电放电)对电品造成的破坏和损伤有突发性损伤和潜在性损伤两种。所谓突发性损伤,指的是器件被严重损坏,功能丧失。这种损伤通常能够在生产过程中

芯城品牌采购网

1204

FPGA芯片的特点-芯城品牌采购网

FPGA是数字芯片的一个分支,与CPU、GPU等固定功能芯片不同,FPGA在制造后可以根据用户需求赋予特定的功能。FPGA芯片涉及通信、工业、军事/航空航天、汽车、数据中心等多个领域,预计中国FPGA市场年复合增长率将超过17%,明显高于全球增速。中国市场收入在国际FPGA头厂商的收入中占据第一位,国内替代品存在巨大的空间。建议关注明年芯片行业左侧的布局机会。FPGA——一种可由用户定制的高性能芯

芯城品牌采购网

1294

车载T-BOX中MCU和SoC通信方案(SPI通信方式)-芯城品牌采购网

在车载T-BOX中,MCU和SoC之间必然存在数据通信,本篇文章将分享一种基于SPI通信方式方案。SoC作为主机,MCU作为从机,配置模式如下所示:通信模式:模式0;通信速率:4.8Mbps;数据存储:小端模式;数据长度:每包256Byte。MCU和SoC物理连接如图所示:名词解析:MISO:主设备输入从设备输出;MOSI:主设备输出从设备输入;SCLK:时钟信号,主设备产生;CS:片选,主设备控

芯城品牌采购网

1317

TDK压电叠堆执行器产品组合添新锐-芯城品牌采购网

TDK推出两款新的采用符合RoHS要求的锆钛酸铅(PZT)材料制成的铜内电极压电执行器——COM30S5和COM45S5。新款元件采用TDK获得专利的基于铜电极的HAS(高有效堆叠)技术,以无外壳封装的被动元件供货,实现了良好的动态范围、高力量/体积比和纳米级精度。比之其他技术,TDK采用HAS技术的压电执行器性能更佳,湿度稳定性更好、使用寿命更长。两款新元件覆盖电压范围为-10至+180V,额定

芯城品牌采购网

1217

国产首款4GHz/12bit示波器发布,自研芯片从0到1的突破-芯城品牌采购网

从电子平台了解到,鼎阳科技于12月28日召开新品发布会,发布4GHz带宽、12-bit高分辨率的数字示波器SDS7000A和8GHz的自研示波器前端放大器芯片SFA8001。其中SDS7000A是国内第一款4GHz带宽、12-bit高分辨率数字示波器,将国产高分辨率示波器提升到一个新的高度,填补了相关领域的国产空白,而SFA8001是当前国内发布的第一款带宽达到8GHz的自研示波器前端放大器芯片。

芯城品牌采购网

951

实时控制和通信领域的IT/OT融合如何推动工业自动化-芯城品牌采购网

如果有一个可以弯曲和转动的机械臂,它的每个轴都配备了十分精准的电机驱动器、传感器或机器视觉,仿佛在演奏一曲运动交响乐。但如果没有“指挥”告诉系统的每个器件在何时该如何执行各自的操作,那么机械臂可能会发出刺耳的碰撞声和金属摩擦声。在之前的实时控制系列文章中,我们探讨了用于感应、驱动和处理的实时控制(RTC)仪器。而要将它们贯穿起来需要借助“指挥”:实时通信。在本文中,我们将以基于实时通信和控制的工业

芯城品牌采购网

871

AMD赛灵思工程师为你解答几种常见的SEMIP冲突-芯城品牌采购网

SEMIP是一种比较特殊的IP。它的基本工作就是不停地后台扫描检测FPGA配置RAM中的数据,一旦发现这些数据与预期值不符,即发出警告或者尽可能的修正。这个持续不断的RAM扫描动作带来的负面影响,除了一些后台资源的占用,就是产生了一定量噪声。噪声的冲突绝大多数xilinx设计里面SEM的噪声完全可以忽略不计;但是仍有部分高速应用比如HSSIO和memory,可能会受到一定干扰。比较典型的一个例子是

芯城品牌采购网

1032

如何利用MCU单片机嵌入式开发工具中的堆栈保护功能-芯城品牌采购网

在开发以MCU单片机为核心的嵌入式系统时,当软件程序将数据写入预设数据结构(通常为固定长度的缓冲区)以外的程序调用堆栈的存储地址范围时,就会产生堆栈。缓冲区溢出。这几乎肯定会破坏附近的数据,甚至改变返回函数。如果是故意的,这就是我们所知的堆栈粉碎。防止堆栈缓冲区溢出的一种方法是使用堆栈金丝雀,它的命名是因为它与在煤矿中使用金丝雀检测有毒气体相似。目前,在所有以IAREmbeddedWorkbenc

芯城品牌采购网

1096

步进电动机方案的7个注意事项-芯城品牌采购网

1.步进电机芯片步距误差是指空载时实测的步距角与理论的步距角之差。它反映了步进电动机方案角位移的精度。国产步进电动机的步距误差一般在±10′~±30′范围内,精度较高的步进电动机可达±2′~±5′。2.最大静转矩是指步进电动机在某相始终通电而处于静止不动状态时,所能承受的最大外加转矩,亦即所能输出的最大电磁转矩。它反映了步进电动机方案的制动能力和低速步进运行时的负载能力。3.步进电机芯片启动矩频特

芯城品牌采购网

761

特斯拉成本大降54%-芯城品牌采购网

近日,特斯拉在社交平台上表示,4680大圆柱形电池的量产取得重大突破。上周,位于加州的弗里蒙特工厂生产了86.8万个大型圆柱形锂离子电池,可支持1000辆Y型汽车。加载中。虽然这一产量无法满足上海工厂每周约1.5万辆的生产能力,但已经相当接近德国柏林工厂和美国加州工厂每周平均3000辆的生产需求。同时,特斯拉表示:4680电池已经度过了量产最困难的时期。这意味着4680电池将在未来迎来量产和装车,

芯城品牌采购网

803

意法半导体推出具超强散热能力的车规级表贴功率器件-芯城品牌采购网

2023年1月16日,中国意法半导体推出了各种常用桥式拓扑的ACEPACKSMIT封装功率半导体器件。与传统TO型封装相比,意法半导体先进的ACEPACKSMIT封装能够简化组装工序,提高模块的功率密度。工程师有五款产品可选:两个STPOWER650VMOSFET半桥模块、一个600V超快二极管整流桥功率器件、一个1200V半桥全波整流模块和一个1200V晶闸管半桥整流模块。所有器件均符合汽车行业

芯城品牌采购网

819

村田量产化”低矮+大容量“聚合物电解电容器,应对不断增长的数据中心应用需求-芯城品牌采购网

株式会社村田制作所开发了D型外壳(7.3×4.3mm),产品高度2.0mmMax,同时实现了村田最大容量(470μF)的平滑滤波聚合物铝电解电容器。本产品将从2023年6月起开始批量生产。近年来,数据中心需要高速处理的不断增长的通信量。因此,不仅要求作为核心设备的服务器需要高速化,引入高性能网络及加速板的趋势亦不断增强。然而,此类设备存在耗电量大,难以确保稳定工作的IC电压变动及IC发热等问题。为

芯城品牌采购网

1216

2月14日晚间,上海新阳发布公告称,公司拟与上海化学工业区管委会、上海化学工业区发展有限公司签订《投资意向协议》,变更全资子公司上海芯刻微材料技术有限责任公司注册于上海化学工业区,并启动位于上海化学工业区的项目建设。据公告披露,项目主要开发集成电路关键工艺材料,总投资额约5.8亿元,占地约104亩。预计年产500吨I线、KrF、ArF干/湿法光刻胶;年产10000吨光刻胶稀释剂;年产5000吨高选

芯城品牌采购网

783

LATTICE莱迪思FPGA助力超级高铁及电机设计-芯城品牌采购网

LATTICE莱迪思作为低功耗可编程器件FPGA的领先供应商,可持续性一直是莱迪思产品创新的核心指导原则。LATTICE莱迪思在过去几年中与Swissloop合作,并继续支持他们的超回路列车研究项目。这是学生组织卓有成效的一年。本文将介绍该团队在2022年的一些项目进展,以及Swissloop领导人RogerBarton和HannoHiss所做的卓有成效的工作。Swissloop是一个由苏黎世联邦

芯城品牌采购网

837

NANDFlash售价季跌约20-24%,铠侠:未来持续减产-芯城品牌采购网

2月14日,全球第二大NANDFlash厂商铠侠公布了截止2022年12月31日的最新财报。数据显示,铠侠当季营收为2782亿日元,环比减少28.9%,同比下滑30.9%,营业利润转负至-933亿日元,环比下降215%,同比下跌229%,净利润转负至-846亿日元。铠侠表示,因PC、智能手机需求低迷,加上资料中心客户进行库存调整,导致NANDFlash出货量减少,供需平衡恶化下、售价大跌,加上受减

芯城品牌采购网

829

消费类芯片和汽车芯片的简单分类-芯城品牌采购网

消费类芯片和汽车芯片简单分类三种:能用芯片:135-28nm,对应3G手机、家电、消费电子产业够用芯片:14-7nm含chiplet,对应4G手机、L2辅助驾驶、普通座舱好用芯片:7-2nm的尖端工艺,对应5G手机、L5无人驾驶、高级座舱美国芯片法案的目的是将中国卡在能用芯片中,而为了实现从能用到够用的进阶,有三种途径:(1)延续摩尔定律的原生非A硅制程;(2)转换到第三/四代半导体材料;(3)超

芯城品牌采购网

1550

Wi-Fi6/6E四频段扩展器让无线扩展器如虎添翼-芯城品牌采购网

随着智能家居的普及,家庭中连接无线设备的数量也在大幅增加,导致2.4GHz和5GHz频段过度拥塞。Wi-Fi6技术被称为“室内5G”,网速超快;Wi-Fi6E则是Wi-Fi6的加强扩展版。Wi-Fi6E与Wi-Fi6之间最大区别在于频段,Wi-Fi6频段是2.4GHz和5GHz,Wi-Fi6E则是在两个频段外又新增了一个6GHz频段,为的是增加在线流量的快速通道。瑞萨推出的Wi-Fi6/6E四频段

芯城品牌采购网

773

ADUM1201隔离芯片能否实现双向传输?ADI工程师告诉你-芯城品牌采购网

ADUM1201隔离芯片能否实现双向传输?ADI工程师告诉你:1.我看数据手册里的框架图,所以想将2和3并联,将6和7并联。这样可以实现I/O信号的隔离吗?2.或者是在左侧和右侧都加上一个低导通电压的二极管,这样可以实现吗?不是很建议这样做,输入会被反向输出回来,改变电平的时候,高低电平将短路。我们看到另外一款的隔离芯片,将二极管改成了电阻,由于阻抗的不同,这个是他们官方给出的方案,并且我查到他们

芯城品牌采购网

892

如何利用SiCMOSFET实现更高能效电力电子产品!-芯城品牌采购网

当您设计新电力电子产品时,您的目标任务一年比一年更艰巨。高效率是首要要求,但以更小的尺寸和更低的成本提供更高的功率是另一个必须实现的特性。SiCMOSFET是一种能够满足这些目标的解决方案。以下重要技巧旨在帮助您创建基于SiC半导体的开关电源,其应用领域包括光伏系统、储能系统、电动汽车(EV)充电站等。为何选择SiC?为了证明您选择SiCMOSFET作为开关模式设计的首选功率半导体是正确的,请考虑

芯城品牌采购网

784

有源滤波器和无源滤波器哪个更好!-芯城品牌采购网

由无源元件(电阻、电容、电感)组成的滤波器叫无源滤波器;由有源元件(比如运放,它内部需要提供一定的电压才能正常工作)组成的滤波器叫有源滤波器。RC低通无源滤波器,如图:当信号频率趋于零时,电容的容抗趋于无穷大,故通带放大倍数为Aup=Uo/Ui=1电压放大倍数Au=Uo/Ui=(1/jwc)/(R+1/jwc)=1/(1+jwRc)令Fp=1/(2πRC)=1/(2πτ),则Au=1/(1+jf/

芯城品牌采购网

835

博世发布全新一代可编程人工智能传感器芯片-芯城品牌采购网

在美国内华达州拉斯维加斯举行的CES®消费电子展上,BoschSensortec宣布推出一款全新智能传感器系统。该系统具有优异的性能/功耗比,同时体积小巧,且内置有随时可用的软件算法,非常易于集成。全新BHI360是一款基于IMU的可编程传感器芯片系统,结合了陀螺仪和加速度计,可实现完全自定义。它集成了传感器芯片融合库,可实现带有头部方向检测的3D音频效果,以提供个性化声音体验以及简单的手势识别。

芯城品牌采购网

696

Microchip微芯推出针对电动航空应用设计的新型一体化混合动力驱动模块解决方案,可减少开发时间和重量-芯城品牌采购网

设计多电飞机(MEA)的飞机制造商希望将飞行控制系统从液压转换为电动,以减轻重量和设计复杂性。为了满足航空应用对集成和可配置电源解决方案的需求,MicrochipTechnologyInc.(美国微芯科技公司)今日宣布推出一款全新的综合性混合动力驱动模块,这是全新电源器件产品系列的首款型号。该系列产品将有12种不同型号,采用碳化硅(SiC)MOSFET或绝缘栅双极晶体管(IGBT)。这些混合动力驱

芯城品牌采购网

681

NXP恩智浦推出全新28nmRFCMOS雷达单芯片系列,赋能新一代ADAS和自动驾驶系统!-芯城品牌采购网

NXP恩智浦半导体,汽车雷达行业领导者(信息来源:YoleIntelligence)宣布率先推出全新28nmRFCMOS雷达单芯片系列,适用于新一代ADAS和自动驾驶系统。新推出的SAF85xx单芯片系列集成了恩智浦的高性能雷达感测功能和处理技术,可为一级芯片供应商和OEM提供更高的灵活性,支持短距、中距和长距雷达应用,满足更多更具挑战性的NCAP安全性要求。NXP恩智浦拥有技术领先优势已超过15

芯城品牌采购网

770

产能利用率满载,华虹半导体2022年销售收入同比增长51.8%-芯城品牌采购网

继晶圆代工大厂中芯国际披露业绩后,另一晶圆代工厂华虹半导体财报出炉。图片来源:华虹半导体财报截图华虹半导体2022年第四季度业绩显示,公司销售收入达6.301亿美元,同比上升19.3%,环比持平;毛利率上升至38.2%,同比上升5.7个百分点,环比上升1.0个百分点;母公司拥有人应占溢利1.591亿美元,同比上升19.2%,环比上升53.2%。四季度综合产能利用率达103.2%从财报来看,华虹半导

芯城品牌采购网

782

据锡山发布消息显示,2月10日,连城凯克斯半导体高端装备研发制造项目举行开工奠基仪式。据悉,此次奠基开工的为二期项目,总投资10亿元,主要建设碳化硅设备、单晶炉设备、光伏组件设备、ALD设备在内的研发组装一体化生产线,项目达产后预计可实现年销售15亿元。连城凯克斯2019年底签约落户锡山,2021年连城凯克斯高端半导体装备研发制造基地投产。当时消息显示,基地投资30亿元,规划用地200亩,将建成年

芯城品牌采购网

744

据中国台湾经济日报报道,鸿海2月14日宣布斥资约1.48兆越南盾(约4.28亿元人民币),取得越南北江省土地。鸿海指出,本次交易主要是为满足运营需求,扩充产能。市场推测,是为了满足生产MacBook及iPad产能需求。鸿海昨日发布公告,子公司FulianPrecisionTechnologyComponentCo.,Limited在位于越南北江省越安县光州工业区取得45.11万平方公尺土地使用权,

芯城品牌采购网

722

近期,据全球半导体观察不完全统计,50余家半导体厂商先后发布了2022年第四季度及全年预告。总体来看,2022年第四季度及全年财报以业绩下滑为主,亏损者过半,其中IC设计为重灾区。但其中也不乏亮点,如国内上市设备公司业绩出现较大增长。此外,三星、英特尔以及我国部分半导体企业也在危机中寻求转变,新的业务增长点为企业带来了新的机遇。IC设计、代工与封测、设备领域如何?从已披露财报预告的企业数据看,有2

芯城品牌采购网

643

近日,苏州工业园区集成电路产业投资发展有限公司、集成电路产业园、集成电路产业基金揭牌。其中,集成电路产业基金包括一只天使种子基金、一只成长基金,总规模50亿元,重点孵化引导产业落地及支持产业链上各成长期项目,支持企业做大做强。集成电路产业是电子信息产业的重要组成部分,是苏州起步较早、重点发展的产业之一。目前,苏州已经形成了芯片设计、晶圆制造、封装测试为核心,设备、材料、软件为支撑的完整的产业链条,

芯城品牌采购网

732

近日,外媒TheInformation引用知情人士消息,谷歌在数据中心处理器芯片研发方面取得进展,并有望于2025年开始使用,新处理器预定由台积电生产。报道称,Google服务器处理器团队用时2年,开发了两款基于ARM架构的5纳米处理器。其中一款代号为Maple,采采(MarvellTechnologyGroup现成设计,目前已完成设计交由台积电试产。另一款代号为Cypress,交由以色列团队开发

芯城品牌采购网

671

2月14日晚间,上海新阳发布公告称,公司拟与上海化学工业区管委会、上海化学工业区发展有限公司签订《投资意向协议》,变更全资子公司上海芯刻微材料技术有限责任公司注册于上海化学工业区,并启动位于上海化学工业区的项目建设。据公告披露,项目主要开发集成电路关键工艺材料,总投资额约5.8亿元,占地约104亩。预计年产500吨I线、KrF、ArF干/湿法光刻胶;年产10000吨光刻胶稀释剂;年产5000吨高选

芯城品牌采购网

776

1月4日,江丰电子发布公告称,基于战略发展规划,为了进一步完善产业布局,公司拟以现金出资人民币3000万元认购广州中科同芯半导体技术合伙企业(有限合伙)(以下简称“中科同芯”)的合伙份额,本次交易完成后,公司将持有中科同芯不超过6.67%的合伙份额。同时,沈阳富创精密设备股份有限公司拟以现金出资人民币8000万元投资中科同芯,不超过中科同芯合伙份额的17.77%;北方华创科技集团股份有限公司拟以现

芯城品牌采购网

595

12月30日消息,根据天眼查网站显示,12月29日,珠海市魅族科技有限公司(以下简称“魅族科技”)发生股东变更,魅族科技创始人黄章(黄秀章)等股东退出了魅族科技,吉利集团董事长李书福控制的武汉星纪魅族科技有限公司成为唯一股东。可以看到,天音通信控股股份有限公司、珠海虹华新动能股权投资基金(有限合伙)、海通创新证券投资有限公司等也退出魅族科技股东行列。同时,魅族科技公司的市场主体类型,由“其他有限责

芯城品牌采购网

495

据韩联社报道,美国最大规模芯片设备制造商应用材料(AMAT)将参与韩国化工材料公司SKC旗下芯片玻璃基板制造商Absolics的增资入股项目。据韩国金融监督院1月2日公布的消息,SKC日前公布Absolics决定进行第三者配股增资,筹集用于建设设备的资金1659亿韩元(约合人民币9.042亿元)。Absolics将发行新股13万股,SKC和AMAT参与此次增资,分别增持9万股和4万股,投资额分别为

芯城品牌采购网

606

2022年12月30日,龙芯中科宣布,面向物联网领域研制的两款主控芯片--龙芯1C102和龙芯1C103已于近期流片成功,两款微控制器芯片各项功能测试正常,符合设计预期。据官方介绍,龙芯1C102采用龙芯LA132处理器核心,是一款面向嵌入式领域定制的芯片产品,该芯片集成Flash、SPI、UART、I2C、RTC、TSENSOR、VPWN、ADC等功能模块,可广泛应用于各种智能设备和物联网相关产

芯城品牌采购网

717

2022年12月30日,赛微电子发布公告称,赛莱克斯北京与武汉敏声合作共建的8英寸BAW滤波器联合产线达到各项要求和标准,实现通线,具备进行下一步产能爬坡、良率提升及大规模量产的基础。2021年8月13日,赛微电子控股子公司赛莱克斯北京与武汉怡格敏思科技有限公司、武汉敏声签署了《战略合作框架协议》;2022年6月17日,各方签署《战略合作框架协议之补充协议》,由赛莱克斯北京与武汉敏声继续合作投资面

芯城品牌采购网

541

一文了解新型存储技术-芯城品牌采购网

随着5G、人工智能(AI)、智能汽车等新兴应用的快速更迭,市场对数据存储在速度、功耗、容量、可靠性等层面提出了更高要求,存储器技术也在不断地面临着新的挑战。在当前主流的存储器技术中,DRAM虽然速度快,但功耗大、容量低、成本高,且断电无法保存数据,使用场景受限;NANDFlash读写速度低,存储密度明显受限于工艺制程。为了突破DRAM、NANDFlash等传统存储器的局限,存储器技术壁垒不断被突破

芯城品牌采购网

725

近年来,在新能源车、光伏、风电和储能等的带动下,全球功率半导体市场规模不断加速成长,国内以士兰微、华润微电子、时代电气、安世半导体、斯达半导、新洁能、东微半导、扬杰科技微代表的功率半导体公司成长迅速,近期华润微电子传来好消息。12月29日,据华润微电子官方公众号消息,华润微电子重庆12英寸晶圆制造生产线以及先进功率封测基地实现通线。公开资料显示,华润微电子重庆12英寸晶圆制造生产线项目总投资75.

芯城品牌采购网

492

不懂模拟电路设计,如何完成温度信号采集?-芯城品牌采购网

常规的电路方案1.使用ADI和TI公司的高集成ADC芯片完成采集。电路需要少量的外围无源元件,先从ADC读取采样值,再在MCU中进行查表换算,将采样值换算成温度值。2.使用国产的信号链芯片自行搭建。随着国内基础模拟信号链芯片的日益完善,考虑使用国产器件完成同等性能的电路,如图1。这样能降低物料供应链的风险、进一步优化成本,实现温度采集,这类基础物理量采集电路的自主可控。图1电路主要由24位SD型A

芯城品牌采购网

753

100%国产化低相位噪声频率综合器研制成功-芯城品牌采购网

低相位噪声频率综合器NFS21-19频率综合器是现代电子系统的重要组成部分,在通讯、雷达、电子对抗、遥控遥测和仪器仪表等众多领域得到了广泛应用。尤其是在卫星导航通信、5G6G、量子通讯、电子战等系统中,频率综合器一直都是射频系统的核心部件。随着电子信息技术的发展,电子系统的高性能和小型化已经成为了一个必然的发展趋势,而频率综合器的性能提升和小型化将是实现整个电子系统性能提升的关键环节之一。在目前国

芯城品牌采购网

588

定义:是由两块金属电极之间夹一层绝缘电介质构成。当在两金属电极间加上电压时,电极上就会存储电荷,所以电容器是储能元件。任何两个彼此绝缘又相距很近的导体,组成一个电容器。平行板电容器由电容器的极板和电介质组成。特点:1.它具有充放电特性和阻止直流电流通过,允许交流电流通过的能力。2.在充电和放电过程中,两极板上的电荷有积累过程,也即电压有建立过程,因此,电容器上的电压不能突变。电容器的充电:两板分别

芯城品牌采购网

605

5个并联电容的9个谐振频率-芯城品牌采购网

理想电容只存在于教科书中,现实世界的每个电容器都会因其实体结构而产生额外的复杂性。由介电层(dielectriclayer)隔开的两个极板(plate)与导线或金属箔(metalfoil)串联,即可实现实际的连接;这两种金属导体会导入等效串联电感(ESL)以及等效串联电阻(ESR)。总而言之,实体电容就是一种串联谐振电路(seriestankcircuit),具有串联谐振频率以及受串联电阻影响的串

芯城品牌采购网

500

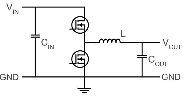
降压变换器功耗以及如何提高效率-芯城品牌采购网

本文将探讨在设计降压(buck或step-down)变换器时哪些参数最重要,以及如何将其与可用的最佳电感配对。我们还将学习如何计算基本参数,并解释开关模式电源IC和电感的一些参数要求,包括纹波电流、电感(L)、饱和电流(ISAT)和额定电流(IR)。当今电子行业近10年来,消费者越来越期望技术使他们的生活更轻松。与此同时,普通家庭的电子产品数量也在增加。不断增多的连接和电子设备选择意味着这些设备必

芯城品牌采购网

607

光耦合器输入驱动电路的LED电流分流技术-芯城品牌采购网

本文档重点介绍光耦合器,包括其基本原理,操作和常见应用。为了最大程度地提高设备效率,建议使用一些技术。还讨论了将LED用作输入的情况以及用于所述拓扑的相应处理技术。简介光耦合器是光源和光敏检测器的组合。在光耦合器或光子耦合对中,耦合是通过在透明绝缘间隙的一侧生成光,并在间隙的另一侧检测到光而实现的,而两侧之间没有电连接(少量的光耦合器除外)耦合电容)。在飞兆半导体的光耦合器中,光是由红外发光二极管

芯城品牌采购网

530

场效应管的工作原理是什么场效应管的特点-芯城品牌采购网

场效应管是利用控制输入回路的电场效应来控制输出回路电流的一种半导体器件,由于它仅靠半导体中的多数载流子导电,又称单极型晶体管。场效应管具有输入电阻高、噪声小、功耗低、动态范围大、易于集成、没有二次击穿现象、安全工作区域宽等优点。场效应管的工作原理是什么?场效应管的特点有哪些?场效应管的工作原理是什么场效应管的特点场效应管的工作原理是什么场效应管的工作原理是什么场效应管工作原理用一句话说,就是“漏极

芯城品牌采购网

512